Заграждение спиральное Егоза-Супер

Колючее заграждение Егоза Супер
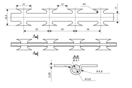
Чертеж спирального барьера Егоза Супер

Спиральное заграждение Егоза-Супер

Заграждение колюче-режущее спиральное Егоза-Супер изготавливаются из армированной колючей ленты Егоза Супер, также известной как колючая проволока Егоза. Спиральное заграждение Егоза-Супер является наиболее надежным спиральным колюче-режущим заграждением

Заграждение СББ Егоза-Супер может быть установлено как на любые сооружение и конструкции, так и по поверхности земли, поскольку армированная колючая лента Егоза-Супер обладает очень высокой жесткостью и прочностью. В этом случае можно использовать спирали диаметром до 2400 мм. Монтаж спирального барьера безопасности Егоза Супер может быть выполнен на ограждениях любого типа – бетонных, кирпичных или металлических заборах. Более того, заграждение Егоза-Супер является хорошим материалом для изготовления забора повышенной надежности. Спиральное заграждение Егоза-Супер используется в конструкции мобильных и пирамидальных заграждений Егоза, а также в качестве внешней спирали двойного заграждения Егоза.

Спиральный барьер СББ Егоза-Супер производится диаметром от 600 до 2400 мм, для скрепления витков могут использоваться от 3 до 13 скоб типа Супер. Заграждение спиральное изготавливается из армированной колючей ленты Егоза-Супер диаметром 4,9 мм.

Заграждение спиральное реализуется под торговой маркой Егоза.

Технические характеристики

Количество витков в бухте, шт., не менее100
Количество скоб на каждой паре витков, шт.3, 5, 7, 9, 11, 13
Диаметр бухты, мм600-2400
Установочная длина одной бухты, м12-35