Заграждение спиральное Егоза-Кайман

Колчее заграждение Егоза Кайман
Чертеж спирального барьера Егоза Кайман

Спиральное заграждение Егоза-Кайман

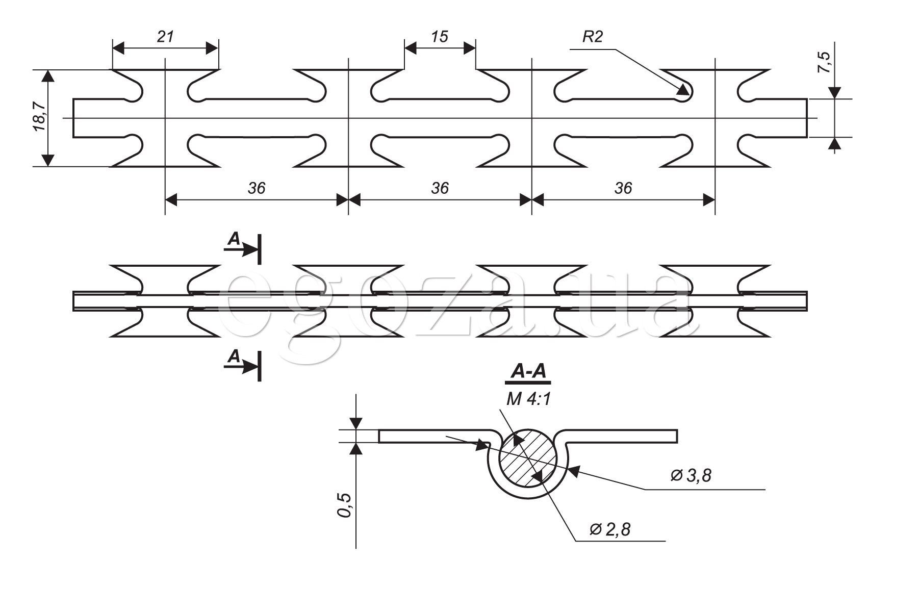
Заграждение колюче-режущее спиральное Егоза-Кайман изготавливаются из армированной колючей ленты Егоза Кайман, также известной как колючая проволока Егоза.

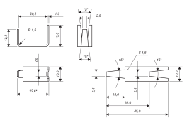
Заграждение Егоза-Кайман производится диаметром от 400 до 1500 мм, для скрепления витков могут использоваться от 3 до 11 скоб типа Супер толщиной 1,5 мм, материалом для изготовления спирального барьера служит армированная колючая лента Егоза-Кайман диаметром 3,8 мм.

Спиральное заграждение Егоза-Кайман монтируется на любые сооружения и конструкции, на кирпичный, бетонный или металлический забор. Спиральный барьер безопасности СББ Егоза-Кайман используется для изготовления мобильных заграждений диаметром 950 мм, пирамидальных заграждений Егоза, а также может использоваться в конструкции двойного спирального заграждения Егоза в качестве внутренней спирали. Кроме того, колюче-режущее заграждение СББ Егоза-Кайман может использоваться для изготовления заборов из спирального заграждения.

Заграждение спиральное реализуется под торговой маркой Егоза.

Технические характеристики

Количество витков в бухте, шт., не менее100
Количество скоб на каждой паре витков, шт.3, 5, 7, 9, 11
Диаметр бухты, мм400-1500
Установочная длина одной бухты, м7-35