Заграждение спиральное Егоза-Аллигатор

Колючее заграждение Егоза Аллигатор
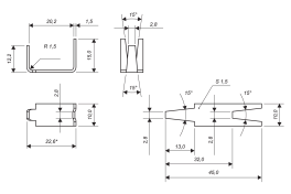
Чертеж спирального барьера Егоза Аллигатор

Спиральное заграждение Егоза-Аллигатор

Заграждение колюче-режущее спиральное Егоза-Аллигатор изготавливается из армированной колючей ленты Егоза Аллигатор, также известной как колючая проволока Егоза.

Спиральное заграждение Егоза-Аллигатор может устанавливаться на любые типы заборов – из кирпича, из бетонных плит или на забор из сварных панелей, на любые сооружения и конструкции. Благодаря высокой прочности и пружинным свойствам армированной колючей ленты Егоза Аллигатор, спирали большого диаметра можно устанавливать непосредственно по земле. Спиральный барьер безопасности СББ Егоза-Аллигатор используется для изготовления мобильных заграждений диаметром 950 и 1250 мм, пирамидальных и двойных спиральных заграждений Егоза, а также возведения надежных заборов из спирального заграждения.

Заграждение Егоза-Аллигатор производится диаметром от 600 до 1500 мм, для скрепления витков могут использоваться от 3 до 9 скоб типа Супер. Сырьем для производства спирального заграждения Егоза Аллигатор служит армированная колючая лента Егоза-Аллигатор диаметром 4,3 мм.

Заграждение спиральное реализуется под торговой маркой Егоза.

Технические характеристики

Количество витков в бухте, шт., не менее100
Количество скоб на каждой паре витков, шт.3, 5, 7, 9
Диаметр бухты, мм600-1500
Установочная длина одной бухты, м13-28